概 説
特殊衝突分離方式の画期的な圧縮空気清浄器 WELL AIR のREシリーズ。このシリーズは「ベビィデューティドレン」を装備しています。
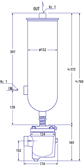
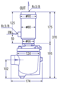
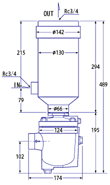
 型  式 WA-400RE WA-1200RE WA-2500RE
 最大使用流量(Nl/min) 400 1200 2500
 使用圧力範囲(Mpa) 0.1〜1.5
 保証耐圧力(Mpa) 1.5
 流体温度(℃) 5〜65
 ドレン排出部接続口径(Rc) 1/4
 エアー配管接続口径(Rc) 3/8 3/4
 重  量(kg) 3.78 5.38 13.10
■外形寸法■
WA400RE WA1200RE WA2500RE
WA400RE 外形寸法 WA1200RE 外形寸法 WA2500RE 外形寸法
※ドレンの排出口は、組み立ての都合上、方向が一定ではありません。