ŠT@à
“ÁŽêÕ“Ë•ª—£•ûŽ®‚̉æŠú“I‚Ȉ³k‹ó‹C´òŠí ‚v‚d‚k‚k ‚`‚h‚q ‚̃Xƒ^ƒ“ƒ_[ƒhB
@Œ^@@Ž® ‚v‚`-‚P‚T‚O ‚v‚`-‚S‚O‚O ‚v‚`-‚P‚Q‚O‚O
@Å‘åŽg—p—¬—ÊiNl/minj ‚P‚T‚O ‚S‚O‚O ‚P‚Q‚O‚O
@Žg—pˆ³—͔͈ÍiMpaj ‚OD‚P`‚PD‚O
@•ÛØ‘ψ³—ÍiMpaj ‚PD‚T
@—¬‘̉·“xiŽj ‚T`‚U‚T
@ƒhƒŒƒ“”ro•”Ú‘±ŒûŒaiRcj ‚P/‚S
@ƒGƒA[”zŠÇÚ‘±ŒûŒaiRcj ‚P/‚S ‚R/‚W ‚R/‚S
@d@@—Êikgj ‚OD‚V‚S ‚PD‚Q‚S ‚QD‚X‚R
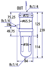
¡ŠOŒ`¡–@¡
‚v‚`‚P‚T‚O-•W€ ‚v‚`‚S‚O‚O-•W€ ‚v‚`‚P‚Q‚O‚O-•W€
‚v‚`‚P‚T‚O-•W€ ŠOŒ`¡–@ ‚v‚`‚S‚O‚O-•W€ ŠOŒ`¡–@ ‚v‚`‚P‚Q‚O‚O-•W€ ŠOŒ`¡–@